الصفحة الرئيسية / منتجات / مروحة الطرد المركزي / مروحة الطرد المركزي المنحني للخلف / مروحة الطرد المركزي المنحني AC-315 مع المكره البلاستيكي

مروحة الطرد المركزي المنحني AC-315 مع المكره البلاستيكي

Zhejiang Qinlang Electromechanical Co., Ltd.

مروحة الطرد المركزي المنحني AC-315 مع المكره البلاستيكي

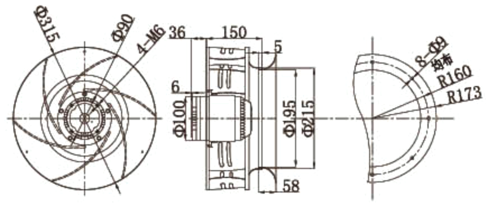
يعد مروحة الطرد المركزي المنحني AC-315 مع المكره البلاستيكي حلاً كبيرًا ومتعدد الاستخدامات لتطبيقات التهوية والحركة الجوية المختلفة. يوفر تصميمه المبتكر العديد من الفوائد التي تجعلها خيارًا أولوية في الإعدادات الصناعية والتجارية والسكنية. تجمع هذه المروحة بين المتانة والأداء وسهولة الاستخدام ، مما يجعلها مكونًا أساسيًا في أي نظام يتطلب تدفق الهواء والتهوية المتسق .

معلمات التفاصيل تفاصيل المنتج شكل التفاصيل احصل على عرض أسعار

الميزات الرئيسية لمروحة الطرد المركزي المنحني للخلف

واحدة من ميزات البروز لمروحة الطرد المركزي المنحني للخلف مع المكره البلاستيكي هو تصميم المكره المائل للخلف. يساعد هذا التصميم في تقليل استهلاك الطاقة من خلال ضمان عمل المروحة في ذروة الكفاءة ، حتى في ظل ظروف الحمل المختلفة. يوفر المكره البلاستيكي بناءًا خفيف الوزن ولكنه قوي ، مما يضمن أن المروحة تظل متينة وطويلة الأمد في البيئات الصعبة.

يقلل تصميم المائلين المتخلف من المروحة أيضًا من الضوضاء الكلية الناتجة أثناء التشغيل. هذا يجعلها مثالية للتطبيقات التي يكون فيها الضوضاء المنخفضة إلى حد كبير ضرورية ، كما هو الحال في المكاتب والمكتبات وغيرها من المناطق الحساسة للضوضاء. يسهم المكره البلاستيكي أيضًا في تقليل الاهتزازات ، ويهيمن على تشغيل أكثر هدوءًا وتدفق هواء أكثر استقرارًا.


المتانة وطول العمر

تم تصميم مروحة الطرد المركزي المنحني للخلف مع المكره البلاستيكي لتستمر. المواد البلاستيكية المستخدمة في المكره مقاومة للتآكل ، وهو مفيد بشكل خاص في البيئات المعرضة للرطوبة أو المواد الكيميائية. على عكس المتدفتين المعدنيين ، لن يتدهور المكره البلاستيكي أو يتدهور بمرور الوقت ، مما يضمن أن المروحة تستمر في العمل بشكل أفضل لسنوات. هذا أيضًا يجعل المروحة خيارًا فعالًا من حيث التكلفة على المدى الطويل ، لأنه يقلل من الحاجة إلى الصيانة أو الاستبدال المتكرر.


كفاءة الطاقة

تم تصميم مروحة الطرد المركزي المنحني للخلف مع المكره البلاستيكي مع وضع كفاءة الطاقة في الاعتبار. أدى المكره المثير للخلف إلى حد كبير إلى تقليل الطاقة المطلوبة لتحريك الهواء ، مما يقلل من استهلاك الطاقة الإجمالي للمروحة. هذه الكفاءة تجعل المروحة خيارًا صديقًا للبيئة ، مما يساعد على خفض فواتير الكهرباء وتقليل أقدام الكربون.


التطبيقات متعددة الاستخدامات

بفضل تصميمه متعدد الاستخدامات ، يمكن استخدام مروحة الطرد المركزي المنحني للخلف مع المكره البلاستيكي في مجموعة واسعة من التطبيقات. سواء للتبريد أو التهوية أو ترشيح الهواء أو معالجة المواد ، تلبي هذه المروحة متطلبات القطاعات المتنوعة ، بما في ذلك أنظمة HVAC والنباتات الصناعية وإعدادات التهوية المنزلية.

إن قدرتها على الحفاظ على تدفق الهواء المتسق وتقديم أداء عالي الضغط يجعلها مناسبة للأنظمة ذات المقاومة المعتدلة إلى عالية. يمكن للمروحة التعامل مع احتياجات تدفق الهواء المختلفة بشكل فعال ، مما يجعلها مثالية للتطبيقات مثل التهوية في المصانع أو أنظمة العادم في المطابخ أو إمدادات الهواء في غرف الخادم.


سهولة التثبيت والصيانة

ميزة أخرى من مروحة الطرد المركزي المنحني للخلف مع المكره البلاستيكي هي سهولة التثبيت. إن تصميم المعجبين الخفيف الوزن ، إلى جانب نظام التثبيت سهل الاستخدام ، يجعل من السهل الاندماج في الأنظمة الحالية أو الإعدادات الجديدة. يضمن حجمها المضغوط وتصميمه الفعال أنه يناسب مساحات ضيقة دون المساس بالأداء.

صيانة هذه المروحة واضحة ومباشرة بسبب المكره البلاستيكي المتين والأجزاء المتحركة الصغيرة. تم تصميم المروحة لتكون صيانة منخفضة ، مما يقلل من التوقف عن العمل والاضطرابات التشغيلية. عادة ما تكون الفحوصات المنتظمة والتنظيف كل ما هو مطلوب لضمان أفضل أداء.

تعد مروحة الطرد المركزي المنحني للخلف مع المكره البلاستيكي خيارًا موثوقًا وفعالًا لمجموعة واسعة من احتياجات التهوية وحركة الهواء. إن تصميمها المتقدم ، وبناءها الدائم ، وكفاءة الطاقة يجعلها خيارًا جيدًا لأولئك الذين يتطلعون إلى تعزيز تدفق الهواء مع تقليل التكلفة والتكاليف التشغيلية .

شهادة

بعد سنوات من الجهود التي لا تتوصل إليها ، حقق فريق R&D الخاص بـ Qinlang عددًا من الإنجازات التكنولوجية في مجال تصنيع مروحة التدفق المحوري ، وضمان سلامة العمليات الفنية للشركة وتنوع منتجاتها ، وتشكيل احتياطي تقني عميق.

  • شهادة
  • شهادة
  • شهادة
  • شهادة
  • شهادة
  • شهادة
معلومات عنا
Zhejiang Qinlang Electromechanical Co., Ltd.

Zhejiang Qinlang Electromechanical Co., Ltdتأسست شركتنا في عام 2012. وهي شركة مروحة متخصصة في تصميم وتطوير وإنتاج وتسويق مختلف المراوح ومعدات تبريد الهواء للتصنيع الصناعي والبناء الصناعي. المنتجات الرئيسية هي مراوح دوارة خارجية ومراوح محرك مقنعة. وتستخدم هذه المنتجات على نطاق واسع في تبريد وتهوية مختلف أجهزة التبريد وتكييف الهواء، أو في تهوية أو تنقية المباني والمطابخ والمشاريع الصناعية والتعدين، إلخ.

 

وقد حصلت الشركة على الثناء العام لتقنيتها الرائدة وإدارتها بكفاءة، وتصنف بين الأفضل في صناعة المروحة. تزويد العملاء بمنتجات عالية الجودة وخدمات جيدة. واستنادًا إلى فلسفة الأعمال "الموجهة نحو الناس والمضي قدمًا"، تعتمد الشركة على موارد معلومات قوية وخبرة غنية في الصناعة لتقليل تكاليف الشراء بالنسبة للعملاء وخلق أكبر الفوائد للعملاء. تتمتع المنتجات عالية الجودة والخدمات المرضية والمدروسة بسمعة جيدة في الداخل والخارج.

الأخبار الأخيرة

تعرف على معلومات معرض الصناعة والأحداث الأخيرة في شركتنا .